Skip to main content

Linear Integrated Circuit Projects

Operation Amplifier 741 Based Projects Engineering Projects

Operation Amplifier 741 Based Projects Engineering Projects

Ic 7806 Voltage Regulator Pin And Circuit Explained

Ic 7806 Voltage Regulator Pin And Circuit Explained

Integrated Circuit Digital Computer Parts Logic Electronic Micro

Integrated Circuit Digital Computer Parts Logic Electronic Micro


Integrated Circuit Digital Computer Parts Logic Electronic Micro
Electronic Circuits Schematics Diagram Free Electronics

Electronic Circuits Schematics Diagram Free Electronics

Linear Integrated Circuit Mini Projects Electronic Project

Linear Integrated Circuit Mini Projects Electronic Project

Voltage Regulator From Discrete Components

Voltage Regulator From Discrete Components

Op Amp Adder And Subtractor Linear Integrated Circuits

Op Amp Adder And Subtractor Linear Integrated Circuits

Mini Projects Using Ic 741 Engineering Projects

Mini Projects Using Ic 741 Engineering Projects

Integrated Circuit Design Wikipedia

Integrated Circuit Design Wikipedia

Gayakwad Op Amps And Linear Integrated Circuits 4th

Gayakwad Op Amps And Linear Integrated Circuits 4th

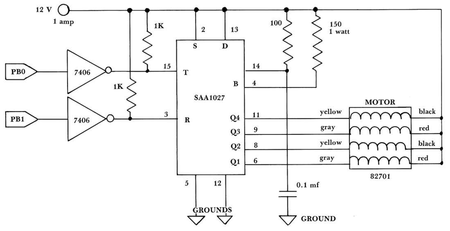
A Simple Interface For A Stepper Motor

A Simple Interface For A Stepper Motor

Electricity 10th Edition Page 6 6 Of 208

Electricity 10th Edition Page 6 6 Of 208

Ic 741 Op Amp Basics Characteristics Pin Configuration

Ic 741 Op Amp Basics Characteristics Pin Configuration

12 Commonly Used Components On Pcbs For Beginners Seeed

12 Commonly Used Components On Pcbs For Beginners Seeed

Integrated Circuits Types Uses

Integrated Circuits Types Uses

Comments

Popular posts from this blog

High Pass Filter Working Principle

Audio Filter Types Explaining The Different Types Of Audio Common Impulse Responses What Is The Advantage Of Non Inverting Op Amp High Pass High Pass Filter Definition Circuit Characteristics And High Pass Filters Filters Electronics Textbook High Pass Filter Passive Rc Filter Tutorial Active Low Pass Filter And Active High Pass Filter Explained Low Pass High Pass Filter Working Principle Electrical Understanding The Basics Of Rf Filter Electronics Notes High Pass Filter Wikipedia Passive High Pass Filter Passive Filters First Order Butterworth Active Low Pass Filter Circuit ...

Glitter Gel Glitter Red Ombre Nails

Fresh Ways How To Do Ombre Nails At Home Naildesignsjournal Neon Pink Red Jelly Nails Ombre Glitter Gel Nails Light Ombre Gel Nails Red Sparkly Red Ombre Nails Red Rockabilly Vibes Red Black Sparkly Ombre Nails All Tip Shapes Topic For Glitter Ombre Nail Art Gold Glitter Ombre Nails 21 Glitter Nail Art Designs Sparkly Ideas For Chic Glitter Sparkling Red Glitter Gel Nail Art Stock Photo Edit Now Tutorial Easy Red And Rose Gold Glitter Ballerina Coffin D135 Infatuated

Glynt Trijuven

Glynt Trijuven Step 1 100 Ml Trijuven C Der Neue Jungbrunnen Fur Die Haare Von Glynt Glynt Trijuven Step 3 Emulsion 200ml Trijuven C Die Therapie Zur Haarverjungung Friseur Com Die Villa Trijuven Therapie Zur Haarverjungung Glynt Trijuven Step 3 Emulsion 200ml Glynt Glynt Hair Instagram Profile Toopics Glynt Trijuven Schnitt Talente Friseur Koln Junkersdorf Mangalafashion Instagram Photos And Videos Pilipiligram Com